Transformadores à Seco – Resina Epóxi

Especificações Técnicas:

Características Gerais:

Especificações Técnicas:
– Potencias: 75kVA a 10mVA
– Frequência: 60 Hz

– Tensões primárias:
Classe 15kV: NBI 95 kV
Classe 24,2 kV: NBI 125 kV
Classe 36,2 kV: NBI 150 kV

– Tensões secundárias:
Trifásicos: 220y/127V, 380y/220V, 440y/254V ou 480y/277V, 660y/381V, 800y/462V
*Elevação de temperatura: 100 °C
*Classe térmica: F (155 °C)

Características Padrão:
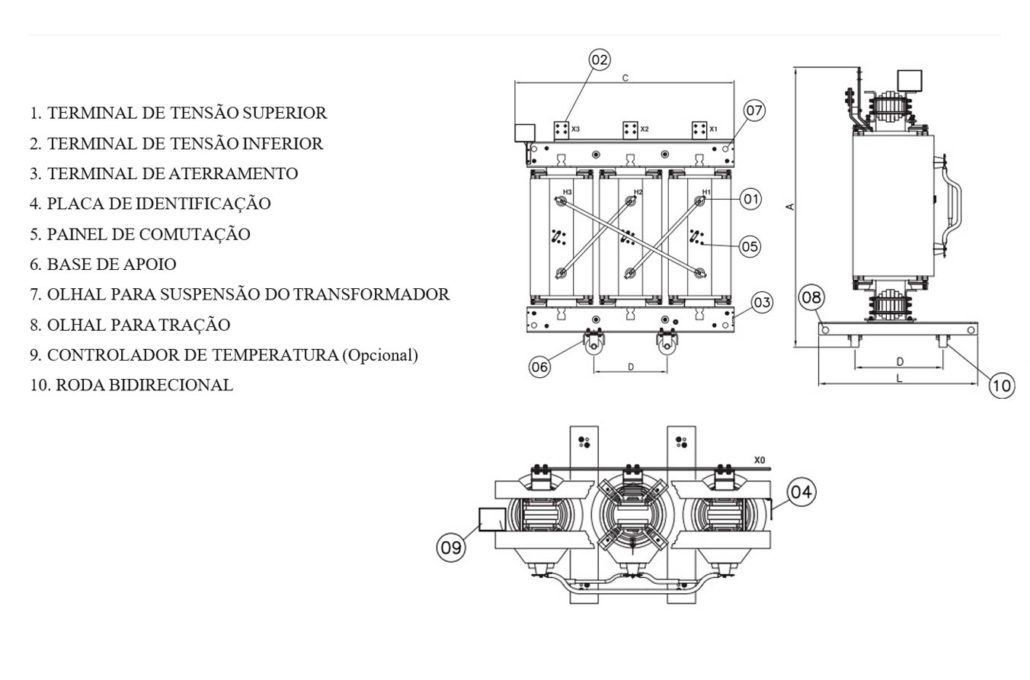
– Painel de comutação controlador de temperatura
– Barramento primários e secundários
– Terminais de aterramento
– Placa de identificação
– Grau de Proteção IP00 à IP66

-Os transformadores Seco Belo Volt são projetados de acordo com as normas ABNT e atendem às especificações das concessionárias de energia elétrica.
Para outras características entrar em contato com a Belo Volt.

Com a BELO VOLT Transformadores, você tem a certeza de estar contratando uma empresa que não só entende as necessidades do seu negócio, mas que também entrega soluções inovadoras e de alta qualidade, assegurando o pleno funcionamento dos seus transformadores e sistemas elétricos.

©2025. Belo Volt Minas Energia Comércio e Locação de Equipamentos LTDA | Todos os direitos reservados.